OEM Conector TNC Supplier

Tecnologia de comunicação Co. de Ningbo Hanson, Ltd. Lar / Produtos / Conector coaxial RF / Conector TNC

Conector TNC

Descrição:

Os conectores coaxiais RF da série TNC são desenvolvidos e produzidos de acordo com o padrão militar dos EUA MIL-C-39012. Eles têm características de ampla largura de banda, conexão confiável e boa resistência a choques. Eles são adequados para conectores e cabos RF para entrada e saída de sinais de equipamentos de rádio, instrumentos eletrônicos, diversos componentes de laser.

Parâmetro:

Principais Especificações Técnicas:
◆ Impedância característica: 50Ω
◆ Faixa de frequência: DC-18GHz
◆ Resistência de isolamento: ≥5000MΩ
◆ Tensão suportável dielétrica: 1500V (rms)
◆ Relação de onda estacionária de tensão (VSWR): ≤1,30
◆ Ciclos de acasalamento: 500 vezes

Pergunte

Escurecer
euitro
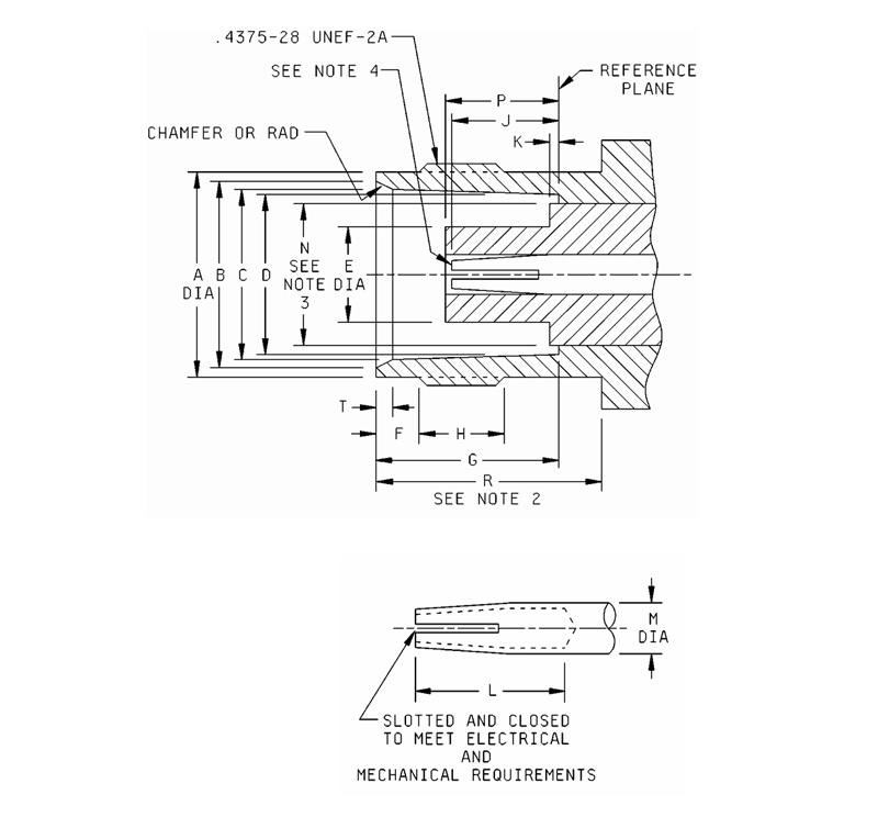
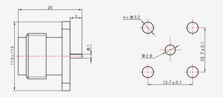
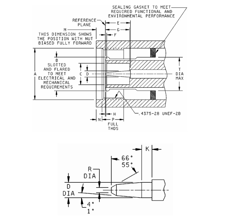
Milímetros (polegadas)
Mínimo Máximo
UM 0,378 (9,60) 0,381 (9,68)
B 0,346 (8,79) 0,356 (9,04)
C 0,327 (8,31) 0,333 (8,46)
D 0,319 (8,10) 0,321 (8,15)
E ------- 0,186 (4,72)
F 0,068 (1,73) 0,088 (2,24)
G 0,327 (8,31) 0,335 (8,51)
H 0,187 (4,75) -------
J. 0,186 (4,72) 0,206 (5,23)
K ------- 0,006 (0,15)
L 0,195 (4,95) -------
M 0,081 (2,06) 0,087 (2,21)
N ------- 0,256 (6,50)
P 0,188 (4,78) 0,208 (5,28)
R 0,414 (10,52) -------
T 0,015 (0,38) 0,030 (0,76)

Notas:
1. Esta interface deve atender aos requisitos de bitola especificados em
MIL-PRF-39012/28.
2. Folga para encaixar a porca de acoplamento do conector.
3. UM dimensão aplica-se àquela porção (se aplicável) do dielétrico
que se projeta além do metal
ombro (ou plano de referência) pela dimensão K.
4. ID para atender ao VSwR quando acoplado a um pino de 0,052 polegada (1,32 mm)/0,054 (1,37 mm) de diâmetro.

Escurecer
euitro
Milímetros (polegadas)
Mínimo Máximo
UM 0,440 (11,18) -------
B Teste de medidor
C 0,190 (4,83) -------
D 0,052 (1,32) 0,054 (1,37)
E 0,210 (5,33) 0,230 (5,84)
F 0,006 (0,15) -------
G 0,208 (5,28) 0,228 (5,79)
H 0,003 (0,08) 0,040 (1,02)
K 0,078 (1,98) -------
M ------- 0,078 (1,98)
N 0,063 (1,60) -------
P 0,156 (3,96) -------
R ------- 0,025 (0,64)
T ------- 0,322 (8,18)

Notas:
1. Esta interface deve atender aos requisitos de bitola especificados em MIL-PRF-39012/26.

TNC SERIES
  • TNC-KF3A
    TNC-KF3A
    Modelo Tipo de cabo
    TNC-KF3A SYV-50-2-1,RG316
    TNC-KF5A SYV-50-3,RG142,SFCJ-50-3-51
  • TNC-KF3A-1
    TNC-KF3A-1
    Modelo Tipo de cabo
    TNC-KF3A-1 SYV-50-2-1,RG316
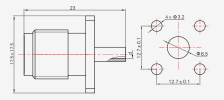
  • TNC-JB2
    TNC-JB2
    Modelo Tipo de cabo d
    TNC-JB2 SFT-50-2.670-086 Φ2,2
    TNC-JB3 SFT-50-3.670-141 Φ3,6
  • TNC-JWB2
    TNC-JWB2
    Modelo Tipo de cabo d
    TNC-JWB2 SFT-50-2.670-086 Φ2,2
    TNC-JWB3 SFT-50-3.670-141 Φ3,6
  • TNC-KB2
    TNC-KB2
    Modelo Tipo de cabo d
    TNC-KB2 SFT-50-2.670-086 Φ2,2
    TNC-KB3 SFT-50-3.670-141 Φ3,6
  • TNC-KFB2
    TNC-KFB2
    Modelo Tipo de cabo d
    TNC-KFB2 SFT-50-2.670-086 Φ2,2
    TNC-KFB3 SFT-50-3.670-141 Φ3,6
  • TNC-KFB2-1
    TNC-KFB2-1
    Modelo Tipo de cabo d
    TNC-KFB2-1 SFT-50-2.670-086 Φ2,2
    TNC-KFB3-1 SFT-50-3.670-141 Φ3,6
  • TNC-KFD2
    TNC-KFD2
    Modelo eu eu1
    KFD2 27 3.5
    KFD3 22 2
  • TNC-J3A
    TNC-J3A
    Modelo Tipo de cabo
    TNC-J3A SYV-50-2-1,RG316
    TNC-J5A SYV-50-3-4,RG142, SFCJ-50-3-51
    TNC-J5AC
  • TNC-J4
    TNC-J4
    Modelo Tipo de cabo eu
    TNC-J4 SYV-50-2-2 31
    TNC-J5 SYV-50-3-4, SFCJ-50-3-51,RG316 31
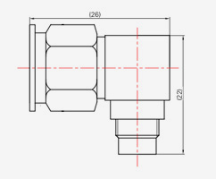
    TNC-(K)5
    TNC-J5C
    TNC-J7 SYV-50-5-1, SFCJ-50-5-51 36
    TNC-J7C
    TNC-J10 SYV-50-7-1,SYV-50-7-2, SFCJ-50-7-51 36
    TNC-J10C
  • TNC-JW5
    TNC-JW5
    Modelo Tipo de cabo
    TNC-JW5 SYV-50-3-4,SFCJ-50-3-51,RG142
    TNC-JW7 SYV-50-5-1,SFCJ-50-5-51
    TNC-JW10 SYV-50-7-2,SFCJ-50-7-51
  • TNC-JW5-1
    TNC-JW5-1
    Modelo Tipo de cabo
    TNC-JW5-1 SYV-50-3-4,SFCJ-50-3-51,RG142
  • TNC-K5
    TNC-K5
    Modelo Tipo de cabo eu
    TNC-K5 SYV-50-3-4, SFCJ-50-3-51,RG142 31
    TNC-(J)5
    TNC-K7 SYV-50-5-1, SFCJ-50-5-51 33
    TNC-K10 SYV-50-7-1, SYV-50-7-2,SFCJ-50-7-51 33
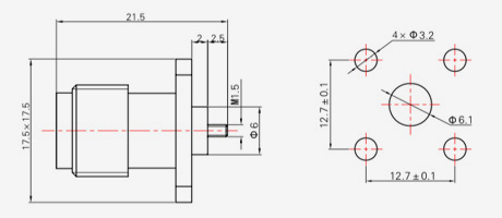
  • TNC-KFD1
    TNC-KFD1
  • TNC-KFD4
    TNC-KFD4

MANTENHA CONTATO

[#entrada#]
ENVIAR
Sobre nós
Tecnologia de comunicação Co. de Ningbo Hanson, Ltd.
Tecnologia de comunicação Co. de Ningbo Hanson, Ltd.
Ningbo Hanson Communication Technology Co., Ltd. is China Conector TNC Supplier and Custom Conector TNC Company. We are a manufacturer specializing in the production, processing, and trade of communication components, with more than 30 years of experience in RF coaxial connectors, adapters, and cable assemblies. A empresa desenvolveu agora sua própria oficina de usinagem, oficina de galvanoplastia, oficina de montagem e um grupo de fornecedores estáveis ​​e confiáveis. O objetivo da empresa é fornecer aos clientes produtos de alta qualidade. Os principais produtos são conectores coaxiais RF, adaptadores, conjuntos de cabos de alta frequência e conjuntos de cabos de baixa intermodulação. Além disso, a empresa também pode fornecer serviços para clientes com necessidades personalizadas para atender às necessidades especiais dos clientes em relação aos produtos. Os produtos da empresa são amplamente utilizados na indústria aeroespacial, estações base de comunicação, equipamentos médicos e outros campos de alta tecnologia. No momento da reforma, inovação, desenvolvimento e crescimento empresarial, a empresa tomou a iniciativa de aderir ao sistema de gestão de qualidade internacional ISO9001 e melhorou continuamente o nível de gestão, de modo a fornecer produtos e serviços mais satisfatórios a novos e antigos clientes.
Últimas Notícias
Procureo oportunidade de negócio?

Solicite uma ligação hoje