OEM Conector BNC Supplier

Tecnologia de comunicação Co. de Ningbo Hanson, Ltd. Lar / Produtos / Conector coaxial RF / Conector BNC

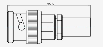
Conector BNC

Descrição:

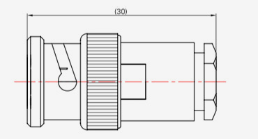
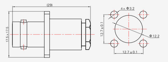
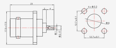
O conector coaxial RF da série BNC é um conector coaxial RF tipo baioneta desenvolvido de acordo com o padrão militar dos EUA MIL-C-39012. Possui características de conexão rápida e contato confiável, sendo um dos conectores mais utilizados e utilizados no mundo. A impedância característica do conector coaxial RF da série BNC é dividida em 50Ω e 75Ω, e os tamanhos dos dois conectores de impedância diferentes são correspondentes.

Parâmetro:

Principais Especificações Técnicas:
◆ Impedância característica: 50Ω/75Ω
◆ Faixa de frequência: DC-4GHz(50Ω)/DC-1GHz(75Ω)
◆ Resistência de isolamento: ≥5000MΩ
◆ Tensão suportável dielétrica: 1500V (rms)
◆ Relação de onda estacionária de tensão (VSWR): ≤1,25
◆ Ciclos de acasalamento: 500 vezes

Pergunte

Escurecer
euitro
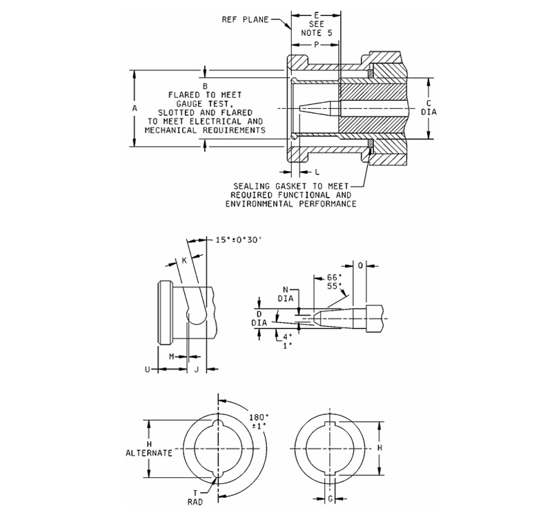
Milímetros (polegadas)
Mínimo Máximo
VocêM 0,432 (10,97) .436 (11.07)
B 0,378 (9,60) 0,382 (9,70)
C 0,327 (8,31) 0,333 (8,46)
D 0,319 (8,10) 0,321 (8,15)
F 0,204 (5,18) 0,208 (5,28)
G 0,327(8,31) 0,335 (8,51)
H 0,075 (1,91) 081(2,06)
0,186(4,72) 0,206 (5,23)
K ------- 0,006(0,15)
eu 0,195 (4,95) -------
M 0,081 (2,06) 087 (2.21)
N 0,346 (8,79) 0,356 (9,04)
P ------- 0,256 (6,50)
R 0,015 (0,38) 0,030 (0,76)
S 0,414 (10,52) -------

Notas:
1. UMs dimensões estão em polegadas. Os equivalentes métricos estão entre parênteses.
2. Os equivalentes métricos são fornecidos apenas para informação geral.
3. Esta interface deve atender aos requisitos de bitola especificados no desenho ou especificação DSCC.
4. Folga para encaixar a porca de acoplamento do conector.
5. A dimensão "P" aplica-se à porção (se aplicável) do dielétrico que se estende além dos planos de referência pela dimensão K.
6. "M" aplica-se apenas ao comprimento "L".

Escurecer
euitro
Milímetros (polegadas)
Mínimo Máximo
VocêM 385 (9,78) 0,390 (9,91)
B Teste de medidor
D 0,052 (1,32) 0,054 (1,37)
E 0,210 (5,33) 0,230 (5,84)
G 0,091(2,31) 0,097 (2,46)
H 0,463 (11,76) 0,473 (12,01)
Alternativa H 0,394 (10,01) 0,400 (10,16)
J. 0,124(3,15) -------
K 0,091(2,31) 0,097 (2,46)
eu 0,003 (0,08) -------
M 0,018 (0,46) 0,022 (0,56)
N ------- 0,025 (0,64)
P 0,208 (5,28) -------
P 0,078 (1,98) -------
T 0,045 (1,14) 0,049 (1,24)
U 0,180(4,57) 0,184 (4,67)

Notas:
1. UMs dimensões estão em polegadas. Os equivalentes métricos estão entre parênteses.
2. Os equivalentes métricos são fornecidos apenas para informação geral.
3. Na condição acoplada, a força longitudinal da mola do mecanismo de acoplamento deverá exceder a pressão exercida pela junta de vedação em uma quantidade necessária para garantir o encontro dos contatos externos no plano de referência.
4. Esta interface deve atender aos requisitos do medidor conforme especificado.

BNC SERIES
  • BNC-JB3
    BNC-JB3
    Modelo Tipo de cabo
    BNC-JB3 SFT-50-3、670-141
  • BNC-KB3
    BNC-KB3
    Modelo Tipo de cabo
    BNC-KB3 SFT-50-3.670-141
  • BNC-KYB2
    BNC-KYB2
    Modelo Tipo de cabo d
    BNC-KYB2 SFT-50-2.670-086 Φ2,2
    BNC-KYB3 SFT-50-2.670-141 Φ3,6
  • BNC-J3
    BNC-J3
    Modelo Tipo de cabo
    BNC-J3 SYV-50-2-1,RG316
    BNC-J4 SYV-50-2-2
    BNC-J5,(K)5 SYV-50-3,SFCJ-50-3-51,RG142
    BNC-J7 SYV-50-5-1,SFCJ-50-5-51
    BNC-J10 SYV-50-7-1,SYV-50-7-2,SFCJ-50-7-51
  • BNC-J3Y
    BNC-J3Y
    Modelo Tipo de cabo
    BNC-J3Y SYV-50-2-1
    BNC-J5Y SYV-50-3
  • BNC-J12
    BNC-J12
    Modelo Tipo de cabo
    BNC-J12 SYV-75-3
  • BNC-75J13Y
    BNC-75J13Y
    Modelo Tipo de cabo
    BNC-75J13Y SYV-75-5
  • BNC-JW3Y
    BNC-JW3Y
    Modelo Tipo de cabo
    BNC-JW3Y SYV-50-2-1,RG316
  • BNC-KF3
    BNC-KF3
    Modelo Tipo de cabo
    BNC-KF3 SYV-50-2-1,RG316
    BNC-KF4 SYV-50-2-2
    BNC-KF5 SYV-50-3,SFCJ-50-3-51,RG142
  • BNC-KY3
    BNC-KY3
    Modelo Tipo de cabo
    BNC-KY3 SYV-50-2-1,RG316
    BNC-KY4 SYV-50-2-2
    BNC-KY5 SYV-50-3,SFCJ-50-3-51,RG142
  • BNC-KF
    BNC-KF
  • BNC-KY
    BNC-KY

MANTENHA CONTATO

[#entrada#]
ENVIAR
Sobre nós
Tecnologia de comunicação Co. de Ningbo Hanson, Ltd.
Tecnologia de comunicação Co. de Ningbo Hanson, Ltd.
Ningbo Hanson Communication Technology Co., Ltd. is China Conector BNC Supplier and Custom Conector BNC Company. We are a manufacturer specializing in the production, processing, and trade of communication components, with more than 30 years of experience in RF coaxial connectors, adapters, and cable assemblies. A empresa desenvolveu agora sua própria oficina de usinagem, oficina de galvanoplastia, oficina de montagem e um grupo de fornecedores estáveis ​​e confiáveis. O objetivo da empresa é fornecer aos clientes produtos de alta qualidade. Os principais produtos são conectores coaxiais RF, adaptadores, conjuntos de cabos de alta frequência e conjuntos de cabos de baixa intermodulação. Além disso, a empresa também pode fornecer serviços para clientes com necessidades personalizadas para atender às necessidades especiais dos clientes em relação aos produtos. Os produtos da empresa são amplamente utilizados na indústria aeroespacial, estações base de comunicação, equipamentos médicos e outros campos de alta tecnologia. No momento da reforma, inovação, desenvolvimento e crescimento empresarial, a empresa tomou a iniciativa de aderir ao sistema de gestão de qualidade internacional ISO9001 e melhorou continuamente o nível de gestão, de modo a fornecer produtos e serviços mais satisfatórios a novos e antigos clientes.
Últimas Notícias
Procureo oportunidade de negócio?

Solicite uma ligação hoje