OEM N type RF Coaxial Connector Supplier

Tecnologia de comunicação Co. de Ningbo Hanson, Ltd. Lar / Produtos / Conector coaxial RF / Conector coaxial RF tipo N

Conector coaxial RF tipo N

Descrição:

O conector coaxial RF da série tipo N é um conector coaxial RF com um mecanismo de conexão roscado desenvolvido e produzido de acordo com o padrão militar dos EUA MIL-C-39012. Possui características de ampla largura de banda, boa resistência ao choque, alta confiabilidade e excelente desempenho, e é amplamente utilizado em comunicações por microondas e sistemas de medição. A impedância característica do conector coaxial RF da série tipo N produzido por nossa fábrica é dividida em dois tipos: 50Ω e 75Ω.

Parâmetro:

Principais Especificações Técnicas:
◆ Impedância característica: 50Ω/75Ω
◆ Faixa de frequência: DC-18GHz(50Ω)/DC-3GHz(75Ω)
◆ Resistência de isolamento: ≥5000MΩ
◆ Tensão suportável dielétrica: 1500V (rms)
◆ Relação de onda estacionária de tensão (VSWR): ≤1,30
◆ Ciclos de acasalamento: 500 vezes

Pergunte

Escurecer
euitro
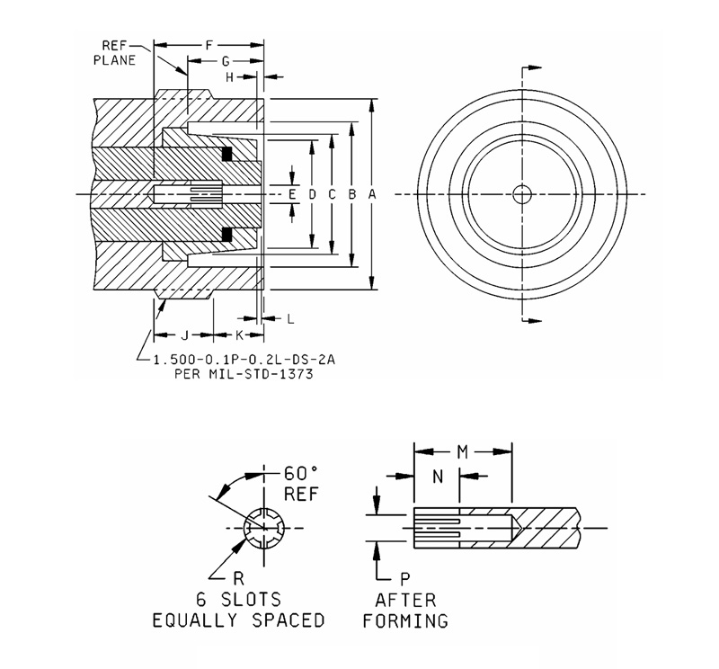
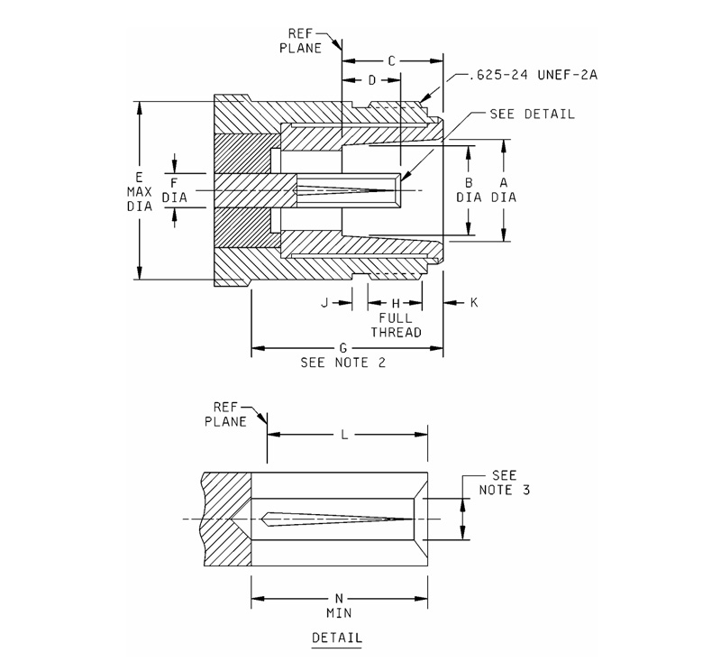
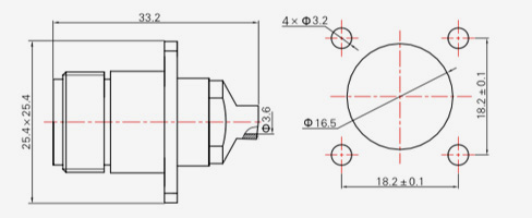
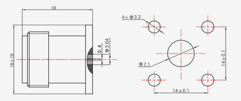
Polegadas (mm)
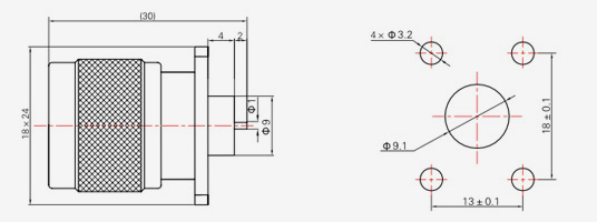
Min. Máx.
UM 0,336 (8,53) 0,344 (8,74)
B 0,316 (8,03) 0,320 (8,13)
C 0,356 (9,04) 0,362 (9,19)
D 0,187 (4,75) 0,207 (5,26)
E ------- 0,627 (15,93)
F 0,119 (3,02) 0,124 (3,15)
G 0,422 (10,72) -------
H 0,172 (4,37) 0,220 (5,59)
J... 0,047 (1,19) 0,077 (1,96)
K 0,047 (1,19) 0,077 (1,96)
eu 0,187 (4,75) 0,207 (5,26)
N 0,210 (5,33) -------

Notas:
1. Esta interface deve atender aos requisitos de bitola especificados em
MIeu-PRF-39o12/2.
2. Folga para encaixar a porca de acoplamento do conector.
3. Para atender VSwR, características de acoplamento, resistência de contato e
durabilidade do conector quando acoplado a um pino de diâmetro 0,063/0,066.

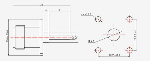
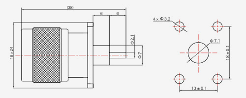
Escurecer
euitro
Polegadas (mm)
Min. Máx.
UM 1,740 (44,20) 1,760 (44,70)
B 1.537 (39.04) 1,543 (39,19)
C 1,060 (26,92) 1.064 (27.03)
D 0,964 (24,49) 0,974 (24,74)
E 0,194 (4,93) 0,196 (4,98)
F 0,836 (21,23) 0,856 (21,74)
G 0,372 (9,45) 0,392 (9,96)
H 0,271 (6,88) 0,291 (7,39)
J... 551 (14h00) 0,571 (14,50)
K 0,370 (9,40) 0,380 (9,65)
eu 0,001 (0,03) 0,013 (0,33)

Notas:
1. Esta interface deve atender aos requisitos de bitola especificados em MIL-PRF-39012/44.

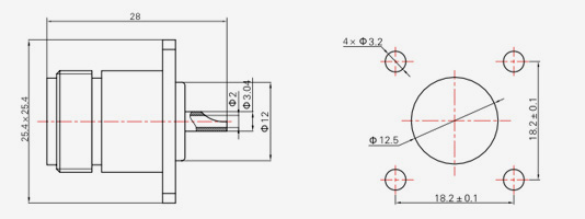
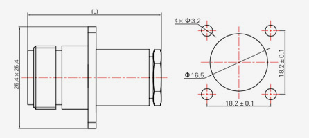
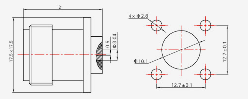
Escurecer
euitro
Polegadas (mm)
Min. Máx.
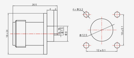
UM 1,404 (35,66) 1,408 (35,76)
B 1.100 (27,94) 1,120 (28,45)
C 1,998 (50,75) 1.002 (25,45)
D 936 (23,77) 0,940 (23,88)
E 0,191 (4,85) 0,195 (4,95)
F 0,763 (19,38) 0,783 (19,89)
G 0,465 (11,81) 0,485 (12,32)
H 0,062 (1,57) Referência
J... 0,302 (7,67) 0,322 (8,18)
K 0,302 (7,67) 0,322 (8,18)
eu 0,001 (0,03) 0,013 (0,33)
M 0,490 (12,45) 0,510 (12,95)
N 0,240 (6,10) ,260 (6,60)
P 0,187 (4,75) 0,189 (4,80)
R 0,014 (0,36) 0,018 (0,46)

Notas:
1. Esta interface deve atender aos requisitos de bitola especificados em MIL-PRF-39012/45.

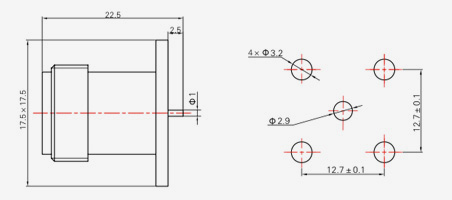
N SERIES
  • N-JB2
    N-JB2
    Modelo Tipo de cabo d
    N-JB2 SFT-50-2.670-086 Φ2,2
    N-JB3 SFT-50-3.670-141 Ф3,6
  • N-JB3-1
    N-JB3-1
    Modelo Tipo de cabo eu
    N-JB3-1 SFT-50-3.670-141 17.6
    N-JB3A-1 SFT-50-3.670-141 16.5
  • N-KB3
    N-KB3
    Modelo Tipo de cabo
    N-KB3 SFT-50-3.670-141
  • N-KFB3
    N-KFB3
    Modelo Tipo de cabo
    N-KFB3 SFT-50-3.670-141
  • N-KYB3
    N-KYB3
    Modelo Tipo de cabo
    N-KYB3 SFT-50-3.670-141
  • NJ3
    NJ3
    Modelo Tipo de cabo
    NJ3 SYV-50-2-1,RG316
    NJ4 SYV-50-2-2
  • NJ5
    NJ5
    Modelo Tipo de cabo eu
    NJ5 SYV-50-3,RG142, SFCJ-50-3-51 33
    NJ5C SYV-50-3,RG142, SFCJ-50-3-51 33
    NJ7 SYV-50-5-1, SFCJ-50-5-51 36
    NJ10 SYV-50-7-1, SYV-50-7-2,SFCJ-50-7-51 36
  • N-J5.3
    N-J5.3
    Modelo Tipo de cabo
    N-J5.3 32055.205,GNB415
  • N-J311
    N-J311
    Modelo Tipo de cabo
    N-J311 FFB311A
  • N-J10-1
    N-J10-1
    Modelo Tipo de cabo
    N-J10-1 SFCJ-50-7-51
  • N-JW5
    N-JW5
    Modelo Tipo de cabo
    N-JW5 SFCJ-50-3-51,SYV-50-3-4,RG142
    N-JW7 SFCJ-50-5-51,SYV-50-5-1
    N-JW10 SFCJ-50-7-51,SYV-50-7-2
  • N-JW8A
    N-JW8A
    Modelo Tipo de cabo
    N-JW8A FFB311A,SYV-50-5
    N-JW12A SYV-75-3
    N-JW13A SYV-75-5
  • N-K3
    N-K3
    Modelo Tipo de cabo
    N-K3 SYV-50-2-1,RG316
  • N-K5
    N-K5
    Modelo Tipo de cabo eu
    N-K5 SYV-50-3,RG142, SFCJ-50-3-51 36
    N-K7 SYV-50-5-1,SFCJ-50-5-51 38
    N-K10 SYV-50-7-1,SFCJ-50-7-51 38
  • N-KF5
    N-KF5
    Modelo Tipo de cabo eu
    N-KF5 SYV-50-3,RG142,SFCJ-50-3-51 36
    N-KF7 SYV-50-5-1,SFCJ-50-5-51 38
    N-KF10 SYV-50-7-1,SFCJ-50-7-51 38
  • N-KF3A
    N-KF3A
    Modelo Tipo de cabo eu
    N-KF3A SYV-50-2-1,RG316 33
    N-KF5A SYV-50-3-4,RG142 42
  • N-KY3Y
    N-KY3Y
    Modelo Tipo de cabo
    N-KY3Y SYV-50-2-1,RG316
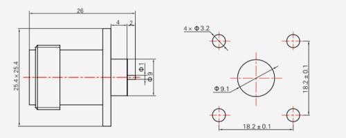
  • N-KFD
    N-KFD
    Modelo eu eu1 eu2
    KFD 26 4 2
    KFD2 31 6 5
    KFD15 30 6 4
    KFD16 28.5 6 2.5
    KFD17 28 6 2
    KFD18 29 5 4
    KFD19 29 4 5
    KFD20 33 4 9
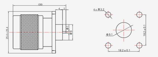
  • N-KF
    N-KF
  • N-JFD1
    N-JFD1
  • N-JFD2
    N-JFD2
  • N-JFD3
    N-JFD3
  • N-JFD23
    N-JFD23
  • N-KFD1
    N-KFD1
  • N-KFD7
    N-KFD7
  • N-KFD11
    N-KFD11
  • N-KFD50
    N-KFD50
  • N-KFD-Z
    N-KFD-Z
  • N-KFD9
    N-KFD9
  • N-KFD14
    N-KFD14

MANTENHA CONTATO

[#entrada#]
ENVIAR
Sobre nós
Tecnologia de comunicação Co. de Ningbo Hanson, Ltd.
Tecnologia de comunicação Co. de Ningbo Hanson, Ltd.
Ningbo Hanson Communication Technology Co., Ltd. is China N type RF Coaxial Connector Supplier and Custom N type RF Coaxial Connector Company. We are a manufacturer specializing in the production, processing, and trade of communication components, with more than 30 years of experience in RF coaxial connectors, adapters, and cable assemblies. A empresa desenvolveu agora sua própria oficina de usinagem, oficina de galvanoplastia, oficina de montagem e um grupo de fornecedores estáveis ​​e confiáveis. O objetivo da empresa é fornecer aos clientes produtos de alta qualidade. Os principais produtos são conectores coaxiais RF, adaptadores, conjuntos de cabos de alta frequência e conjuntos de cabos de baixa intermodulação. Além disso, a empresa também pode fornecer serviços para clientes com necessidades personalizadas para atender às necessidades especiais dos clientes em relação aos produtos. Os produtos da empresa são amplamente utilizados na indústria aeroespacial, estações base de comunicação, equipamentos médicos e outros campos de alta tecnologia. No momento da reforma, inovação, desenvolvimento e crescimento empresarial, a empresa tomou a iniciativa de aderir ao sistema de gestão de qualidade internacional ISO9001 e melhorou continuamente o nível de gestão, de modo a fornecer produtos e serviços mais satisfatórios a novos e antigos clientes.
Últimas Notícias
Procureo oportunidade de negócio?

Solicite uma ligação hoje