OEM Conector hermeticamente selado SMPM Supplier

Tecnologia de comunicação Co. de Ningbo Hanson, Ltd. Lar / Produtos / Série Hermeticamente Selada / Conector hermeticamente selado SMPM

Conector hermeticamente selado SMPM

Descrição:

O conector selado SMPM (SubMiniature Push-on Micro) é um conector RF miniaturizado com escape completo, semi-escapamento e orifício de luz, projetado para alta frequência, espaço compacto e aplicações leves. É um conector push-on, comumente usado em equipamentos de comunicação e eletrônicos que exigem baixo peso, alta confiabilidade e tamanho pequeno. Os conectores SMPM possuem alta qualidade de transmissão de sinal e podem fornecer bom desempenho elétrico.

Pergunte

Estrutura básica:
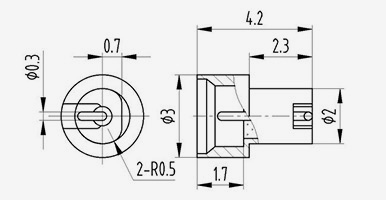
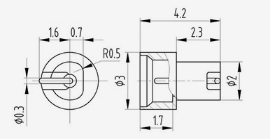
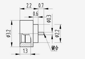
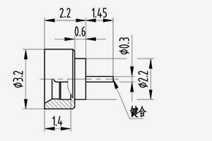
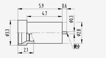
O conector coaxial RF selado a ar tipo SMPM-J consiste em três partes: condutor externo, meio de vidro e condutor interno, a estrutura básica é mostrada na figura abaixo:

Principais parâmetros técnicos:

Características Elétricas
Impedância característica 50Ah Faixa de frequência CC ~ 40 GHz
Tensão suportável dielétrica 500 Vrms Resistência de isolamento 2.000 milhões Ω
Tensão VSWR <1,4 Perda de inserção ≤0,05 √f dB(GHz)
Propriedades materiais e mecânicas e ambientais
Invólucro Liga lavável/banhada a ouro Alfinetes Liga lavável/banhado a ouro
Meio de isolamento Vidro Durabilidade do conector Escape completo 100 vezes
Taxa de vazamento ≤1,01325×10 Pai ·m³/s furo óptico 1000 vezes
Temperatura operacional -65℃~ 165℃

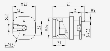
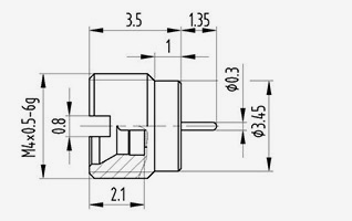
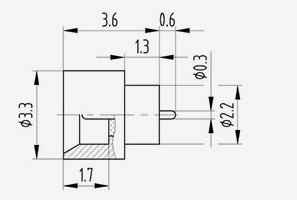
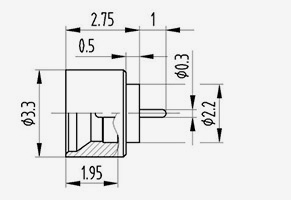
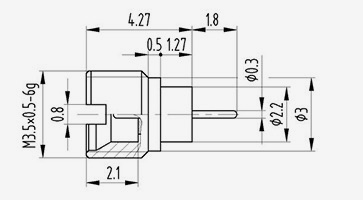
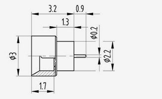
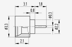
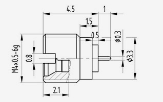
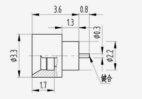
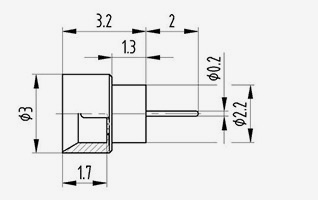
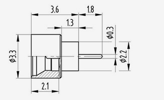
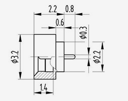
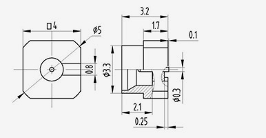
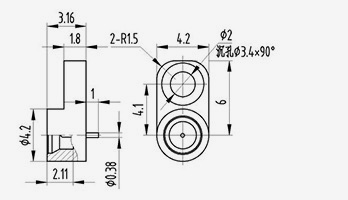
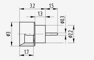
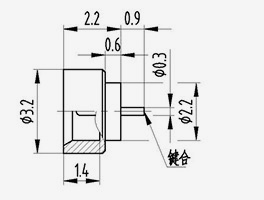
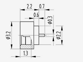
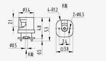
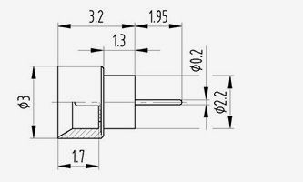
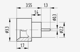
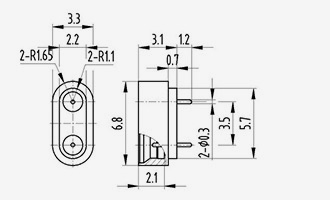
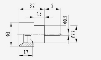
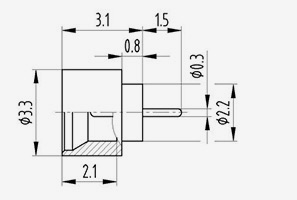
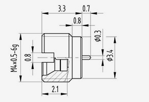
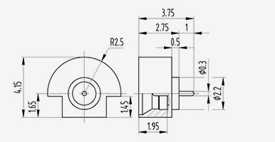
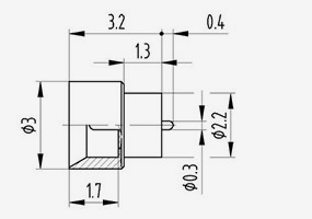
Tamanho da interface:
Os conectores coaxiais RF selados a ar do tipo SMPM-J têm duas formas de interface: escape completo e furo descoberto. Ao nomear o modelo, F indica escape completo e
S significa buraco de luz. As dimensões da interface são divididas em dimensões de interface padrão e dimensões de interface curtas, ambas intercambiáveis ​​com plugues do tipo SMPM-K.
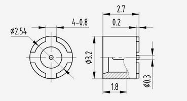
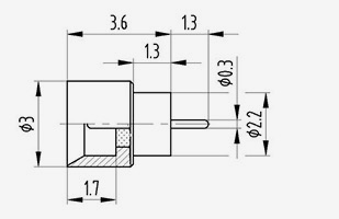
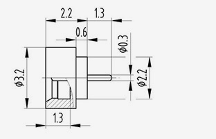
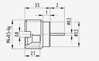
Tamanho da interface padrão:

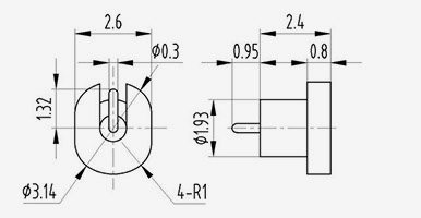
Dimensões curtas da interface:

SMPM SERIES
  • SMPM(M)-JYD3S
    SMPM(M)-JYD3S
    Modelo Observações
    SMPM(M)-JYD3S Furo Suave
  • SMPM(M)-JYD8F
    SMPM(M)-JYD8F
    Modelo Observações
    SMPM(M)-JYD8F Detenção total
  • SMPM(M)-JYD10F
    SMPM(M)-JYD10F
    Modelo Observações
    SMPM(M)-JYD10F Detenção total
  • SMPM(M)-JYD12S
    SMPM(M)-JYD12S
    Modelo Observações
    SMPM(M)-JYD12S Furo Suave
  • SMPM(M)-JYD13F
    SMPM(M)-JYD13F
    Modelo Observações
    SMPM(M)-JYD13F Detenção total
  • SMPM(M)-JYD14F
    SMPM(M)-JYD14F
    Modelo Observações
    SMPM(M)-JYD14F Detenção total
  • SMPM(M)-JYD15F
    SMPM(M)-JYD15F
    Modelo Observações
    SMPM(M)-JYD15F Detenção total
  • SMPM(M)-JYD16S
    SMPM(M)-JYD16S
    Modelo Observações
    SMPM(M)-JYD16S Furo Suave
  • SMPM(M)-JYD17S
    SMPM(M)-JYD17S
    Modelo Observações
    SMPM(M)-JYD17S Furo Suave
  • SMPM(M)-JYD18S
    SMPM(M)-JYD18S
    Modelo Observações
    SMPM(M)-JYD18S Furo Suave
  • SMPM(M)-JYD19S
    SMPM(M)-JYD19S
    Modelo Observações
    SMPM(M)-JYD19S Furo Suave
  • SMPM(M)-JYD20F
    SMPM(M)-JYD20F
    Modelo Observações
    SMPM(M)-JYD20F Detenção total
  • SMPM(M)-JYD21S
    SMPM(M)-JYD21S
    Modelo Observações
    SMPM(M)-JYD21S Furo Suave
  • SMPM(M)-JYD22F
    SMPM(M)-JYD22F
    Modelo Observações
    SMPM(M)-JYD22F Detenção total
  • SMPM(M)-JYD23S
    SMPM(M)-JYD23S
    Modelo Observações
    SMPM(M)-JYD23S Furo Suave
  • SMPM(M)-JYD24F
    SMPM(M)-JYD24F
    Modelo Observações
    SMPM(M)-JYD24F Detenção total
  • SMPM(M)-JYD25F
    SMPM(M)-JYD25F
    Modelo Observações
    SMPM(M)-JYD25F Detenção total
  • SMPM(M)-JYD26F
    SMPM(M)-JYD26F
    Modelo Observações
    SMPM(M)-JYD26F Detenção total
  • SMPM(M)-JYD27S
    SMPM(M)-JYD27S
    Modelo Observações
    SMPM(M)-JYD27S Furo Suave
  • SMPM(M)-JYD28S
    SMPM(M)-JYD28S
    Modelo Observações
    SMPM(M)-JYD28S Furo Suave
  • SMPM(M)-JYD29F
    SMPM(M)-JYD29F
    Modelo Observações
    SMPM(M)-JYD29F Detenção total
  • SMPM(M)-JYD30S
    SMPM(M)-JYD30S
    Modelo Observações
    SMPM(M)-JYD30S Furo Suave
  • SMPM(M)-JYD31F
    SMPM(M)-JYD31F
    Modelo Observações
    SMPM(M)-JYD31F Detenção total
  • SMPM(M)-JYD32F
    SMPM(M)-JYD32F
    Modelo Observações
    SMPM(M)-JYD32F Detenção total
  • SMPM(M)-JYD33S
    SMPM(M)-JYD33S
    Modelo Observações
    SMPM(M)-JYD33S Furo Suave
  • SMPM(M)-JYD34S
    SMPM(M)-JYD34S
    Modelo Observações
    SMPM(M)-JYD34S Furo Suave
  • SMPM(M)-JYD35S
    SMPM(M)-JYD35S
    Modelo Observações
    SMPM(M)-JYD35S Furo Suave
  • SMPM(M)-JYD36S
    SMPM(M)-JYD36S
    Modelo Observações
    SMPM(M)-JYD36S Furo Suave
  • SMPM(M)-JYD37S
    SMPM(M)-JYD37S
    Modelo Observações
    SMPM(M)-JYD37S Furo Suave
  • SMPM(M)-JYD38S
    SMPM(M)-JYD38S
    Modelo Observações
    SMPM(M)-JYD38S Furo Suave
  • SMPM(M)-JYD39S
    SMPM(M)-JYD39S
    Modelo Observações
    SMPM(M)-JYD39S Furo Suave
  • SMPM(M)-JYD41S
    SMPM(M)-JYD41S
    Modelo Observações
    SMPM(M)-JYD41S Furo Suave
  • SMPM(M)-JYD42S
    SMPM(M)-JYD42S
    Modelo Observações
    SMPM(M)-JYD42S Furo Suave
  • SMPM(M)-JYD43F
    SMPM(M)-JYD43F
    Modelo Observações
    SMPM(M)-JYD43F Detenção total
  • SMPM(M)-JYD44F
    SMPM(M)-JYD44F
    Modelo Observações
    SMPM(M)-JYD44F Detenção total
  • SMPM(M)-JYD45S
    SMPM(M)-JYD45S
    Modelo Observações
    SMPM(M)-JYD45S Furo Suave
  • SMPM(M)-JYD46S
    SMPM(M)-JYD46S
    Modelo Observações
    SMPM(M)-JYD46S Furo Suave
  • SMPM(M)-JYD60F
    SMPM(M)-JYD60F
    Modelo Observações
    SMPM(M)-JYD60F Detenção total
  • SMPM(M)-JYD61F
    SMPM(M)-JYD61F
    Modelo Observações
    SMPM(M)-JYD61F Detenção total
  • SMPM(M)-JYD62F
    SMPM(M)-JYD62F
    Modelo Observações
    SMPM(M)-JYD62F Detenção total
  • SMPM(M)-JYD63S
    SMPM(M)-JYD63S
    Modelo Observações
    SMPM(M)-JYD63S Furo Suave
  • SMPM(M)-JYD64S
    SMPM(M)-JYD64S
    Modelo Observações
    SMPM(M)-JYD64S Furo Suave
  • SMPM(M)-JYD65S
    SMPM(M)-JYD65S
    Modelo Observações
    SMPM(M)-JYD65S Furo Suave
  • SMPM(M)-JYD66S
    SMPM(M)-JYD66S
    Modelo Observações
    SMPM(M)-JYD66S Furo Suave
  • SMPM(M)-JHD1S
    SMPM(M)-JHD1S
    Modelo Observações
    SMPM(M)-JHD1S Furo Suave
  • SMPM(M)-JHD2F
    SMPM(M)-JHD2F
    Modelo Observações
    SMPM(M)-JHD2F Detenção total
  • SMPM(M)-JHD3F
    SMPM(M)-JHD3F
    Modelo Observações
    SMPM(M)-JHD3F Detenção total
  • SMPM(M)-JHD4F
    SMPM(M)-JHD4F
    Modelo Observações
    SMPM(M)-JHD4F Detenção total
  • SMPM(M)-JHD6F
    SMPM(M)-JHD6F
    Modelo Observações
    SMPM(M)-JHD6F Detenção total
  • SMPM(M)-JHD21F
    SMPM(M)-JHD21F
    Modelo Observações
    SMPM(M)-JHD21F Detenção total
  • SMPM(M)-JFD1S
    SMPM(M)-JFD1S
    Modelo Observações
    SMPM(M)-JFD1S Furo Suave
  • SMPM(M)-JWSD1S
    SMPM(M)-JWSD1S
    Modelo Observações
    SMPM(M)-JWSD1S Furo Suave
  • SMPM(M)-JWSD8
    SMPM(M)-JWSD8
    Modelo Observações
    SMPM(M)-JWSD8
  • SMPM(M)-JWSD9S
    SMPM(M)-JWSD9S
    Modelo Observações
    SMPM(M)-JWSD9S Furo Suave
  • SMPM(M)-JWSD10S
    SMPM(M)-JWSD10S
    Modelo Observações
    SMPM(M)-JWSD10S Furo Suave
  • SMPM(M)-JSD1S
    SMPM(M)-JSD1S
    Modelo Observações
    SMPM(M)-JSD1S Furo Suave

MANTENHA CONTATO

[#entrada#]
ENVIAR
Sobre nós
Tecnologia de comunicação Co. de Ningbo Hanson, Ltd.
Tecnologia de comunicação Co. de Ningbo Hanson, Ltd.
Ningbo Hanson Communication Technology Co., Ltd. is China Conector hermeticamente selado SMPM Supplier and Custom Conector hermeticamente selado SMPM Company. We are a manufacturer specializing in the production, processing, and trade of communication components, with more than 30 years of experience in RF coaxial connectors, adapters, and cable assemblies. A empresa desenvolveu agora sua própria oficina de usinagem, oficina de galvanoplastia, oficina de montagem e um grupo de fornecedores estáveis ​​e confiáveis. O objetivo da empresa é fornecer aos clientes produtos de alta qualidade. Os principais produtos são conectores coaxiais RF, adaptadores, conjuntos de cabos de alta frequência e conjuntos de cabos de baixa intermodulação. Além disso, a empresa também pode fornecer serviços para clientes com necessidades personalizadas para atender às necessidades especiais dos clientes em relação aos produtos. Os produtos da empresa são amplamente utilizados na indústria aeroespacial, estações base de comunicação, equipamentos médicos e outros campos de alta tecnologia. No momento da reforma, inovação, desenvolvimento e crescimento empresarial, a empresa tomou a iniciativa de aderir ao sistema de gestão de qualidade internacional ISO9001 e melhorou continuamente o nível de gestão, de modo a fornecer produtos e serviços mais satisfatórios a novos e antigos clientes.
Últimas Notícias
Procureo oportunidade de negócio?

Solicite uma ligação hoje